TOP

Tool Data Explorer(TDX)

概要

TDXは設備から収集したCSVデータを活用し、設備異常の予兆監視や加工品質の予測を実行する監視システムです。多様な設備やパラメータに対応し、リアルタイム監視と日単位監視を同時に実行可能。1台から数百台まで柔軟に構築でき、短時間で多数の監視設定が行えます。

導入メリット

  • 設備異常を早期に察知:
    異常の予兆をリアルタイムで監視し、数分以内の結果出力に対応。日単位の予兆監視も並行して実行でき、突発トラブルを未然に防ぎます。
  • 加工品質の予測:
    検査結果をフィードバックすることで、単工程の加工品質を予測。不良削減や歩留まり改善に直結します。
  • 設備を選ばない柔軟性:
    CSVでデータ収集可能な設備なら種類を問わず対応。電流・電圧・回転数・速度・温度・圧力・設定値など多様なパラメータを統合して取り扱えます。
  • 小規模から大規模まで対応:
    監視対象は1台から数百台まで拡張可能。工場規模やライン構成に合わせてシステム構築できます。
  • 短時間で多数の監視設定:
    自動化機能により多くの監視を効率的に設定。立ち上げの工数を大幅に削減します。
  • 迅速なセットアップ:
    CSVデータがあれば最短1日で導入可能。すぐに監視を開始できます。 (設備からのCSVデータ収集はTDXのサポート範囲外)

主な機能

  • 複数監視の同時実行:
    数秒以内のリアルタイム監視から日単位の予兆監視まで、ニーズに応じて並行実行。
  • 多様なパラメータを統合:
    電流、電圧、回転数、速度、温度、圧力、設定値など、設備ごとの異なる指標を一元管理。
  • 波形の切り出し:
    CSVで読み込んだ時系列波形から任意の波形を抽出します。
  • 製品品質予測:
    設備の監視結果データを統合して加工品の品質を予測します。
TDX 波形監視

波形監視

基準波形を登録し、基準波形からの逸脱を監視します。

TDX 統計量監視(SPC)

統計量監視(SPC)

波形から統計量を抽出し、SPC(統計的工程監視)を実行します。

TDX マルチ波形監視(波形相関監視)

マルチ波形監視(波形相関監視)

複数波形の時系列的相関関係を監視します。

TDX マルチ波形監視(多変量監視)

マルチ統計量監視(多変量監視)

複数統計量の多変量監視を実行します。

運用機能

  • しきい値自動調整:
    監視閾値を自動調整して最適化します。
  • しきい値設定更新:
    監視閾値をCSVファイルでExport/Importして更新します。
  • 監視コピー:
    複数設備間で波形切り出し設定および監視設定を相互にコピーします。
  • 自動監視:
    製品別に監視を自動生成します。
  • システム稼働監視:
    モジュール起動状態監視、CSVファイル投入状態監視、監視時間遅延監視、ディスクオーバフロー監視を行います。

異常通知

  • 監視画像付きアラーム送信:
    異常検出時に監視画像付きアラームをE-Mailで送信します。
  • アラームファイル出力:
    異常検出時にアラームテキストファイルおよびCSVファイルを自動出力します。

ファイル出力

  • 波形データ出力:
    切り出した波形データをCSVファイルに自動出力します。
  • 統計データ出力:
    波形から抽出した統計データをCSVファイルに自動出力します。
  • SPC監視結果出力:
    SPC監視結果をCSVファイルに自動出力します。

連携

  • Cプログラム連携:
    DLLを介してCプログラムを読み出し、外部連携を実現します。

適用設備

  • 半導体製造設備
  • 半導体ウェハ加工設備
  • 自動車用タイヤ製造設備
  • 自動車部品製造設備
  • 鉄鋼製品製造設備

事例紹介

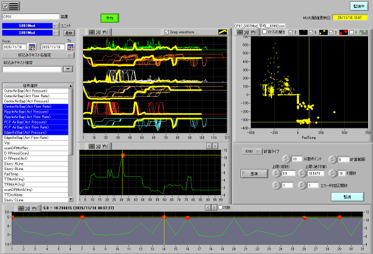
事例1:設備監視

装置異常の検出、加工状態の可視化および監視を実現。異常発生時にはPLCへ通知し、SPC・GB監視結果を自動で出力します。

  • 異常通知: 異常検出時にPLCへ即時通知
  • 加工状態の可視化: 波形・統計量をリアルタイム表示
  • SPC監視: 統計量の工程監視による品質安定化
  • GB監視: 波形の逸脱検出による異常予兆の把握
  • 自動出力: 異常検出時にアラームファイル・CSVを自動生成
設備監視の事例図

事例2:品質予測監視

検査結果データを学習し、加工品の品質を予測。設備データの監視結果と統合することで、製品の出来栄えを事前に把握し、品質の安定化と不良低減を実現します。

  • 検査データ学習: 検査結果をもとに品質予測モデルを構築
  • 設備データ統合: 波形監視・SPC監視・多変量監視の結果を活用
  • 品質予測監視: 加工品の出来栄えをリアルタイムで予測
  • 予測結果通知: 品質予測の結果をアラームやCSVで出力
品質予測監視の事例図

システム要件

  • Intel Core i7 / i9 相当のPC、ワークステーション、またはサーバー
  • メモリ 16GB 以上
  • ストレージ M.2 SSD(PCI-Express) 1TB以上
  • 対応OS: Windows 11、Windows Server 2016 / 2019 / 2022 / 2025

TDX性能

  • 1ライセンスで最大 5,000信号(項目)(CSVファイルの1列が1信号)
  • 最大で 99種類 の異なるCSVフォーマットに対応
  • 最大CSVファイル長: 24時間
  • 最低サンプリング間隔: 1ms(CSVファイルの行間隔)
  • 単位時間当たりの最大読み込みデータ量はPC性能に依存